



Chrome-plated steel sheet is strongly bonded to rubber
Product features:
Not easy to deformation, not easy to corrosion, strong bearing capacity, more stable shock absorption
Humanized design, smooth corners, prevent scratching the vehicle
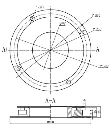
Product size drawing (unit MM) :

WeChat scan code
support hotline187 5222 9001
mobile phone186 0510 2253
Copyright © 2022 Jiangsu Haidexin Intelligent Technology All Rights Reserved. Add:4th Floor, No. 12 Liangyou Road, Yandu District, Yancheng City, Jiangsu Province Su ICP for 2024075926-1 XML 网站模板